Thin Section Machine for Cutting & Grinding
A precision thin section cutting and grinding machine, for fast and precise material removal on petrographic thin sections, the Kemtech Geo performs both the cutting and grinding processes. On the cutting module, the slide mounted specimen is fixed on a holder with vacuum and sectioned up to a thickness of ¼″. Water cooling during cutting avoids deformation and heat degradation. On the grinding module, the grind position can be adjusted, with an encoder displaying the grinding position on the HMI to 0.00004″ resolution, ensuring high precision.

- Large cutting compartment with T-slot table 6¾″ × 4″ with integrated x-axis movement
- 4¾″ (L) × 2½″ (H) cutting capacity
- 2″ length leadscrew for adjusting cutting position
- 8″ or 10″ cut off diamond wheels
- Grinding compartment with T-slot table 7″ × 5″
- 7″ diameter Grinding wheel
- Fine pitch screw for adjusting grind position with encoder feedback to display grinding position on HMI to 0.00004″ resolution.
- High Torque Dual Shaft Motor 0.75kW
- Variable speed 500-2000rpm
- 1-3 samples can be processed simultaneously
- External vacuum pump
- Dual LED lights provide illumination inside machine
- 4.3″ HMI Touchscreen
- Recirculating cooling system with 50l/min capacity pump and 10 micron filter paper
- Completely enclosed polycarbonate cutting and grinding chambers with interlocked doors
- Vacuum holders available for slide mounted sample processing.
- Corrosion free Aluminum cast base
- Installation, Operation, and maintenance manual included
- Warranty: 1 year

| Model | Kemtech Geo | |
|---|---|---|
| Grinding and Cutting Speed, (rpm) | 500 - 2000 | |
| Cutting Wheel Dia., (in) | 8″ / 10″ | |
| Grinding Wheel Dia., (in) | 7″ | |
| Recirculating Tank (Optional), (lt) | 50 | |
| Glass Slide Dimensions | 2″ × 1″ | |
| 3″ × 1″ | ||
| 3″ × 2″ | ||
| Motor Power, (HP) | 0.75kW | |
| Dimensions, W×D×H, (in) | 37″ × 30″ (36″ including front control) × 27½″ | |
| Weight, (lbs) | Machine 474 lbs, coolant tank 44 lbs | |
| Voltage | 220-240V - single phase - 50/60Hz, AC. 13A max | 110V - single phase - 60Hz, AC. 13A max |
| Product Codes | 359427 | 359427A |
| Slide Accessory Kits | For slide sizes | Code |
|---|---|---|
| Includes sample holder and set of flanges ø2⅞″ | 3″ × 1″ | 345718 |
| 3″ × 2″ | 345719 |
Diamond Cup Wheels
Range of diamond cup grinding wheels for petrography. Other sizes available on request.
| Size | Micron | Code |
|---|---|---|
| ø 7″ | 65 | 345200 |

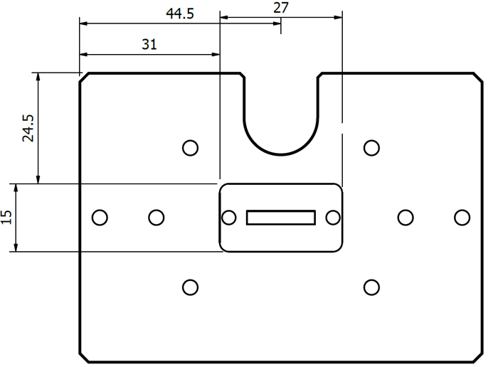
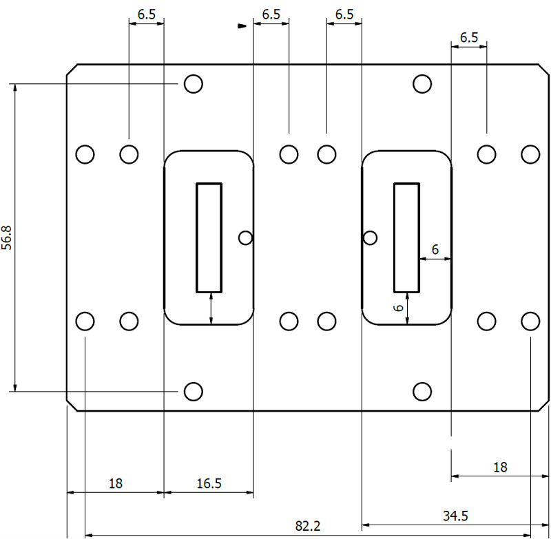
Vacuum Chuck/Holders for both Cutting and Grinding sections
These are mounted on aluminium fixtures which are different heights to compensate for the differing height of the grinding wheel and cutting blade
Vacuum Plate for single 2″ × 1″ slide. Product Code: 364527

Vacuum Plate for single 2″ × 3″ slide or two 1″ × 2″ slides. Product Code: 364528

Vacuum Plate for single 3″ × 1″ slide

